Pronta entrega

Válvulas Cartucho Cavidade ISO

Válvulas de todas as funções hidráulicas Cav 8-2 e 10-2, para diversas faixas de pressão e vazão, tudo a pronta entrega. Clique no botão abaixo e fale com nossa equipe.

Certificação ISO 9001

Válvula Direcional de assento

Com os equipamentos HPU, você pode contar com uma solução confiável e eficaz para vários segmentos industrais. Niveladores de docas, plataformas, elevadores, caminhões carrega tudo, e muitas outras aplicações móveis e estáticas.

Prazo de entrega: até 5 dias.

Válvulas x modelos x funções

Válvula reguladora de pressão

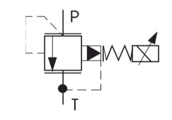
As válvulas reguladoras de pressão são usadas para ajustar a pressão máxima no circuito e protegê-lo de sobrecarga. A pressão do sistema determina a força de um pistão hidráulico ou o torque em um eixo de motor hidráulico.

Válvula Direcional de assento

Válvula que direciona o fluxo de óleo em um sistema hidráulico permitindo controlar o movimento de avanço e retorno de atuadores. Na versão assento garante vedação e estanqueidade.

Válvula de Contrabalanço

Válvula de regulagem de pressão que mantém a pressão na saída de um cilindro hidráulico com carga suspensa que precisa descer de forma controlada, p.e. em guindastes.

Válvula de Retenção

As válvulas de retenção permitem o fluxo do fluido em apenas uma direção. Elas frequentemente protegem a bomba de um refluxo de fluido causado pela carga no aparelho.

Válvula de retenção pilotada

As válvulas de retenção pilotada permitem o fluxo do fluido em apenas uma direção, sendo desbloqueadas no sentido inverso por atuação de uma pressão piloto.

Válvula redutoras de pressão

As válvulas redutoras de pressão mantêm a pressão de saída num valor definido, protegendo o ramal do circuito hidráulico contra sobrecargas.

Válvula Reguladora de Vazão

As válvulas de regulagem de vazão permitem ajustar a velocidade do pistão ou a rotação de um motor hidráulico.

Válvula direcional TN6

Válvula que direciona o fluxo de óleo em um sistema hidráulico permitindo controlar o movimento de avanço e retorno de atuadores.

Válvula Proporcional

As válvulas proporcionais permitem o controle contínuo de fluxo ou pressão através de controle eletrônico.

Distribuição exclusiva de marcas renomadas

--------------------------------------------

Serviços

Muito além do fornecimento de equipamentos

Suporte pré venda

Engenharia de aplicação para perfeito entendimento de sua necessidade antes de tudo.

Entrega técnica

Teste de fábrica e start de funcionamento sob consulta.

Manutenção

Componentes novos de reposição a pronta entrega e máo de obra especializada.

Rápidez na entrega

Qualidade

Atendimento

Linha completa de hidráulica industrial

Fabricação própria

Unidades hidráulicas completas, bombas, motores, válvulas, blocos manifold, cilindros e acessórios.

EQUIPAMENTOS HIDRÁULICOS PARA INDÚSTRIA EM GERAL

Principais aplicações

Elevadores, prensas, plataformas veiculares, plataformas de acessibilidade, niveladores de docas, mesas pantográficas, máquinas especiais e sob encomenda, e muitas outras.

QUEM FAZ ACONTECER

a HPU

Situada em Porto Alegre_RS na região do aeroporto Salgado Filho, somos uma empresa cujas origens remontam à década de 1990.

Contato

Prrencha o formulário e entre em contato

FAQ

Condições para fornecimento

Confira nossas perguntas mais frequentes:

pronta entrega ou até 5 dias conforme o modelo

Informar função da válvula, pressão máxima, vazão requerida, aplicação, tipo de equipamento

Direto de fábrica através do whatsapp (+55) 51 99650 0888

HPU Sistemas Hidráulicos Ltda., todos os direitos reservados

Política de Privacidade

Termos de Uso